• Восстановления агрегатов без их разбора
  • Увеличения ресурса, снижения аварийности
  • Увеличения межсервисного интервала
  • Энергосбережения и энергоэффективности
  • Улучшения свойств смазочных материалов
УГлЕРОДНЫЙ МОдиФиКатоР
carbon modifier
Cнижает затраты на эксплуатацию техники за счет:
Как работает технология
Технология УМ основана на диффундировании сверхтвердых углеродных наноструктур (нанотрубки и фуллерены) в кристаллическую решетку металлов. Под воздействием давления и высоких температур, создается объемная металлоуглеродная сетка на поверхности трения, ячейки которой удерживают масло за счет молекулярных сил взаимодействия, обеспечивая постоянный режим гидродинамического трения.


Защитный слой становится единым целым с базовой поверхностью металла, заполняются неровности, царапины и микрозадиры. Новый слой обладает свойствами диэлектрика, что существенно снижает электрохимическую коррозию и водородное изнашивание, очень устойчив к истиранию и динамическим нагрузкам.


УМ уменьшает износ трущихся поверхностей в 3−5 раз, в зависимости от нагрузок. Металлоуглеродная сетка исключает прямой контакт поверхностей и сухое трение, контакт осуществляется углерод по углероду с шероховатостью, превышающей 14 класс.
Применяется со всеми типами моторных, трансмиссионных и гидравлических масел, пластическими смазками. Фуллерены, как мощный антиоксидант, значительно улучшают эксплуатационные характеристики масел и придает им антиокислительную способность.

Применение УМ снижает деградацию основного смазочного материала, продлевая его ресурс до 50%. Применяется во всех типах ДВС и трансмиссий, компрессорах, редукторах, цепных и зубчатых передачах, ТНВД, гидро и пневмосистемах, подшипниках генераторов/вентиляторов/колесных пар, в любых прочих узлах трения. Размер частиц (0.2 мкм) обеспечивает их свободное прохождение через фильтры и исключает возможность осаждения. УМ полностью связывается со структурой металла после 5 моточасов работы агрегата.

УМ применяется в качестве катализатора горения топлива. За счет нанодетонационных разрывов ковалентных связей атомов углерода в условиях вспышки цилиндропоршневой группы, УМ обеспечивает снижение энергии ионизации кислорода, более глубокое окисление топлива и полноту его сгорания.
Применение
Рекомендуется применять УМ в технике с пробегом от 10 000 км, после обкатки.

Первичная обработка упрочняет поверхностный слоя металла. Последующие обработки поддерживают защитные свойства и рекомендуются регулярно при каждом ТО.

Первичную обработку необходимо проводить, растворив УМ в емкости с основной смазкой (моторное/трансмиссионное/гидравлическое масло) и тщательно перемешать.

Общий объём рабочей жидкости (масло + УМ) не должен превышать максимально допустимый уровень, чтобы избежать избыточного давления и возможного повреждения сальников и уплотнительных прокладок.

Перед применением УМ тщательно взболтать флакон в течение 2 минут.

Запрещается смешивать со всеми видами тормозной жидкости!

СОСТАВ: раствор углеродных наноструктур (нанотрубки и фуллерены) в углеводородной жидкости
Первичная обработка
Узел обработки
Количество УМ на объем смазочного материала
ДВС (бензин, дизель, газ)
5 %
МКПП, РКПП
3 %
АКПП
2 %
Редукторы, Мосты
3 %
ГУР
2 %
Гидравлическое оборудование
2 %
Пластичные смазки
1 мл / 10 г
Топливо
0.1 %
Трущиеся части механизмов
1 мл / 10 см2
Узел обработки
Количество УМ на объем смазочного материала
ДВС (бензин, дизель, газ)
5 %
МКПП, РКПП
3 %
АКПП
2 %
Редукторы, Мосты
3 %
ГУР
2 %
Гидравлическое оборудование
2 %
Пластичные смазки
1 мл / 10 г
Топливо
0.1 %
Трущиеся части механизмов
1 мл / 10 см2
Последующие обработки
Узел обработки
Количество УМ на объем смазочного материала
ДВС (бензин, дизель, газ)
2 %
МКПП, РКПП
2 %
АКПП
1.5 %
Редукторы, Мосты
2 %
ГУР
1.5 %
Гидравлическое оборудование
1.5 %
Пластичные смазки
1 мл / 10 г
Топливо
0.1 % (через 3000 км / 50 м ч.)
Трущиеся части механизмов
1 мл / 10 см2
Узел обработки
Количество УМ на объем смазочного материала
ДВС (бензин, дизель, газ)
2 %
МКПП, РКПП
2 %
АКПП
1.5 %
Редукторы, Мосты
2 %
ГУР
1.5 %
Гидравлическое оборудование
1.5 %
Пластичные смазки
1 мл / 10 г
Топливо
0.1 % (через 3000 км / 50 м ч.)
Трущиеся части механизмов
1 мл / 10 см2
Примеры обработки
Мотоцикл Kawasaki Ninja ZX-6R
Kawasaki Ninja ZX-6R
Узел обработки Объем рабочей жидкости, л Объем УМ
(1-е ТО), мл
Объем УМ
(2-е ТО), мл
ДВС315060
Передняя вилка1.12217
Топливо171717
Итого УМ —
Стоимость 1-го ТО —
Стоимость 2-го ТО —
* Для 3-го и всех последующих ТО рекомендуется применять 50% УМ от объема 2-го ТО
Квадроцикл CFMOTO CForce 600
Квадроцикл CFMOTO CForce 600
Узел обработки Объем рабочей жидкости, л Объем УМ
(1-е ТО), мл
Объем УМ
(2-е ТО), мл
ДВС315062
Вариатор0.91814
Передний редуктор0.396
Задний редуктор0.396
Топливо181818
Итого УМ —
Стоимость 1-го ТО —
Стоимость 2-го ТО —
* Для 3-го и всех последующих ТО рекомендуется применять 50% УМ от объема 2-го ТО
Hyundai Solaris II 1.6L
Hyundai Solaris II
Узел обработки Объем рабочей жидкости, л Объем УМ
(1-е ТО), мл
Объем УМ
(2-е ТО), мл
ДВС3.618072
АКПП7140105
Топливо505050
Итого УМ —
Стоимость 1-го ТО —
Стоимость 2-го ТО —
* Для 3-го и всех последующих ТО рекомендуется применять 50% УМ от объема 2-го ТО
Toyota Camry XV70 2.5L
Toyota Camry XV70
Узел обработки Объем рабочей жидкости, л Объем УМ
(1-е ТО), мл
Объем УМ
(2-е ТО), мл
ДВС4.522590
АКПП7.3146110
Топливо606060
Итого УМ —
Стоимость 1-го ТО —
Стоимость 2-го ТО —
* Для 3-го и всех последующих ТО рекомендуется применять 50% УМ от объема 2-го ТО
Toyota Land Cruiser 200 4.6L
Toyota Land Cruiser 200 4.6L
Узел обработки Объем рабочей жидкости, л Объем УМ
(1-е ТО), мл
Объем УМ
(2-е ТО), мл
ДВС7.5375150
АКПП11.8236177
Раздаточная коробка1.454429
Передний мост1.95738
Задний мост4.212684
ГУР12015
Топливо939393
Итого УМ —
Стоимость 1-го ТО —
Стоимость 2-го ТО —
* Для 3-го и всех последующих ТО рекомендуется применять 50% УМ от объема 2-го ТО
ГАЗ-3302
ГАЗ-3302
Узел обработки Объем рабочей жидкости, л Объем УМ
(1-е ТО), мл
Объем УМ
(2-е ТО), мл
ДВС4.522590
МКПП2.26644
Задний мост1.54530
ГУР1.22418
Топливо707070
Итого УМ —
Стоимость 1-го ТО —
Стоимость 2-го ТО —
* Для 3-го и всех последующих ТО рекомендуется применять 50% УМ от объема 2-го ТО
Погрузчик Hangcha CPCD30
Hangcha CPCD30
Узел обработки Объем рабочей жидкости, л Объем УМ
(1-е ТО), мл
Объем УМ
(2-е ТО), мл
ДВС8400160
АКПП7140105
Гидравлическая система601200900
Топливо606060
Итого УМ —
Стоимость 1-го ТО —
Стоимость 2-го ТО —
* Для 3-го и всех последующих ТО рекомендуется применять 50% УМ от объема 2-го ТО
Самосвал КАМАЗ-65115
КАМАЗ-65115
Узел обработки Объем рабочей жидкости, л Объем УМ
(1-е ТО), мл
Объем УМ
(2-е ТО), мл
ДВС271135540
МКПП11220220
Передний мост412080
Задние мосты16480320
ГУР48060
Топливо350350350
Итого УМ —
Стоимость 1-го ТО —
Стоимость 2-го ТО —
* Для 3-го и всех последующих ТО рекомендуется применять 50% УМ от объема 2-го ТО
Седельный тягач Volvo FH13
Volvo FH13
Узел обработки Объем рабочей жидкости, л Объем УМ
(1-е ТО), мл
Объем УМ
(2-е ТО), мл
ДВС331650660
РКПП16480320
Передний мост9270180
Задний мост18540360
ГУР612090
Топливо900900900
Итого УМ —
Стоимость 1-го ТО —
Стоимость 2-го ТО —
* Для 3-го и всех последующих ТО рекомендуется применять 50% УМ от объема 2-го ТО
Автокран Ивановец КС-45717-1
Автокран Ивановец КС-45717-1
Узел обработки Объем рабочей жидкости, л Объем УМ
(1-е ТО), мл
Объем УМ
(2-е ТО), мл
ДВС271135540
МКПП11220220
Передний мост412080
Задние мосты16480320
ГУР48060
Гидравлическая система40080006000
Топливо200200200
Итого УМ —
Стоимость 1-го ТО —
Стоимость 2-го ТО —
* Для 3-го и всех последующих ТО рекомендуется применять 50% УМ от объема 2-го ТО
Экскаватор SANY SY215C
Экскаватор SANY SY215C
Узел обработки Объем рабочей жидкости, л Объем УМ
(1-е ТО), мл
Объем УМ
(2-е ТО), мл
ДВС271350540
Ходовые редукторы11330220
Поворотный редуктор412080
Гидравлическая система23947803585
Топливо340340340
Итого УМ —
Стоимость 1-го ТО —
Стоимость 2-го ТО —
* Для 3-го и всех последующих ТО рекомендуется применять 50% УМ от объема 2-го ТО
Карьерный самосвал БелАЗ-7555
БелАЗ-7555
Узел обработки Объем рабочей жидкости, л Объем УМ
(1-е ТО), мл
Объем УМ
(2-е ТО), мл
ДВС5527501100
Гидросистема
(подъём кузова + рулевое)
25050003750
Планетарные редукторы30900600
Трансмиссия30900600
Тормозная гидросистема25500375
Топливо100010001000
Итого УМ —
Стоимость 1-го ТО —
Стоимость 2-го ТО —
* Для 3-го и всех последующих ТО рекомендуется применять 50% УМ от объема 2-го ТО
Магистральный тепловоз 2ТЭ10У
Тепловоз 2ТЭ10У
Узел обработки Объем рабочей жидкости, л Объем УМ
(1-е ТО), мл
Объем УМ
(2-е ТО), мл
Главные дизели
(2 шт)
300015000060000
Генераторы, 2 шт
(подшипники ротора)
30600450
Редукторы
(12 шт)
360108007200
Тяговые электродвигатели, 12 шт
(подшипники качения ротора)
2828002800
Гидравлическая система30060004500
Компрессоры тормозной системы6018001200
Топливо120001200012000
Итого УМ —
Стоимость 1-го ТО —
Стоимость 2-го ТО —
* Для 3-го и всех последующих ТО рекомендуется применять 50% УМ от объема 2-го ТО
Вертолет Ми-8
Вертолет Ми-8
Узел обработки Объем рабочей жидкости, л Объем УМ
(1-е ТО), мл
Объем УМ
(2-е ТО), мл
Двигатели6030001200
Главный редуктор401200800
Промежуточный редуктор6180120
Хвостовой редуктор5150100
Гидравлическая система16320240
Топливо187018701870
Итого УМ —
Стоимость 1-го ТО —
Стоимость 2-го ТО —
* Для 3-го и всех последующих ТО рекомендуется применять 50% УМ от объема 2-го ТО
Гидроцикл Sea-Doo GTI 155
Гидроцикл Sea-Doo GTI 155
Узел обработки Объем рабочей жидкости, л Объем УМ
(1-е ТО), мл
Объем УМ
(2-е ТО), мл
ДВС315062
Водомёт0.257.55
Топливо606060
Итого УМ —
Стоимость 1-го ТО —
Стоимость 2-го ТО —
* Для 3-го и всех последующих ТО рекомендуется применять 50% УМ от объема 2-го ТО
Катер Bayliner 2452 Ciera
Bayliner 2452 Ciera
Узел обработки Объем рабочей жидкости, л Объем УМ
(1-е ТО), мл
Объем УМ
(2-е ТО), мл
ДВС9450180
Поворотно-откидная колонка39060
Гидравлическая система10200150
Топливо386386386
* Объемы рабочей жидкости и УМ могут варьироваться в зависимости от моделей установленного оборудования
Итого УМ —
Стоимость 1-го ТО —
Стоимость 2-го ТО —
** Для 3-го и всех последующих ТО рекомендуется применять 50% УМ от объема 2-го ТО
Прогулочный теплоход Москва-85
Прогулочный теплоход Москва-85
Узел обработки Объем рабочей жидкости, л Объем УМ
(1-е ТО), мл
Объем УМ
(2-е ТО), мл
Главные двигатели6432001280
Реверс-редукторы10300200
Валопровод
(опорные подшипники)
2200200
Валопровод
(кормовые подшипники)
16480320
Дизель-генератор10500200
Гидравлическая система15300225
Топливо700070007000
* Объемы рабочей жидкости и УМ могут варьироваться в зависимости от моделей установленного оборудования
Итого УМ —
Стоимость 1-го ТО —
Стоимость 2-го ТО —
** Для 3-го и всех последующих ТО рекомендуется применять 50% УМ от объема 2-го ТО
Буксир проекта 90600 «Азовец»
Буксир проекта 90600 «Азовец»
Узел обработки Объем рабочей жидкости, л Объем УМ
(1-е ТО), мл
Объем УМ
(2-е ТО), мл
Главные двигатели292146005840
Азимутальные колонки22004400033000
Дизель-генератор301500600
Гидросистема палубных механизмов
(лебёдка/кнехты/пины/кран)
500100007500
Маслобак/циркуляция FiFi-насоса/муфт30600450
Топливо700007000070000
* Объемы рабочей жидкости и УМ могут варьироваться в зависимости от моделей установленного оборудования
Итого УМ —
Стоимость 1-го ТО —
Стоимость 2-го ТО —
** Для 3-го и всех последующих ТО рекомендуется применять 50% УМ от объема 2-го ТО
Сухогруз «река-море» RSD59 («Волго-Дон макс»)
Самоходный сухогруз «река-море» RSD59
Узел обработки Объем рабочей жидкости, л Объем УМ
(1-е ТО), мл
Объем УМ
(2-е ТО), мл
Главные двигатели
(Wartsila 6L20 1200 кВт)
396019800079200
Дизель-генераторы
(Volvo Penta D13 332 кВт)
9045001800
Аварийный дизель-генератор
(D7 90 кВт)
231150460
Винто-рулевые колонки45009000067500
Палубные якорно-швартовные механизмы6701340010050
Локальная гидравлика крана/люков10020001500
Топливо250000250000250000
* Объемы рабочей жидкости и УМ могут варьироваться в зависимости от моделей установленного оборудования
Итого УМ —
Стоимость 1-го ТО —
Стоимость 2-го ТО —
** Для 3-го и всех последующих ТО рекомендуется применять 50% УМ от объема 2-го ТО
Танкер Aframax
Танкер Aframax
Узел обработки Объем рабочей жидкости, л Объем УМ
(1-е ТО), мл
Объем УМ
(2-е ТО), мл
Главный двигатель
(MAN B&W 6G60ME-C)
19000950000380000
Дизель-генераторы
(MAN 8L21/31, 3 шт)
420021000084000
Стернтруб320064000-
Рулевое устройство, грузовые насосы2104200-
Топливо350000035000003500000
* Объемы рабочей жидкости и УМ могут варьироваться в зависимости от моделей установленного оборудования
Итого УМ —
Стоимость 1-го ТО —
Стоимость 2-го ТО —
** Для 3-го и всех последующих ТО рекомендуется применять 50% УМ от объема 2-го ТО
Триботехнические испытания
Схема и режим испытаний

Испытания проводились на машине трения ИИ-5018. Сравнивались характеристики базового трансмиссионного масла Rowe 80W-90 и масел с добавлением Углеродного Модификатора, присадки «Супротек», а также их комбинации.

 

Схема: «диск по диску с проскальзыванием 15 %».

Образец: d = 50 мм, h = 12 мм.

Контробразец: d = 50 мм, h = 10 мм.

Материал: сталь 30ХГСА, закалка, шлифовка (Ra = 0,2–0,3 мкм).

Смазка: разбрызгивание подвижным образцом, погружённым в масло на 1–2 см (объём 200 мл).

 

Режим работы:

  • частота вращения n = 1200 мин⁻¹ (V ≈ 0,47 м/с)
  • нагрузка P = 700 Н
  • продолжительность испытаний – 180 минут
 

Регистрируемые параметры:

  • момент сопротивления трения M (Н·м)
  • нагрузка P (Н)
  • температура масла в камере T (°С)
  • число циклов N
 

Износ образца (нижнего диска – Δmo) и контробразца (верхнего диска – Δmк/o) определялся взвешиванием до и после испытаний на аналитических весах АВ210М-01А с погрешностью до 0,1 мг, площадь лунки контробразца определялась методом фотосъёмки и программным планиметрированием с погрешностью до 1 мм².

Машина трения и кинематика
Машина трения ИИ-5018, рабочая зона
Рисунок 1. Машина трения ИИ-5018, образец и контробразец.
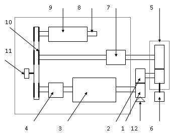
Кинематическая схема машины трения ИИ-5018
Рисунок 2. Кинематическая схема машины трения ИИ-5018: 1 – образец; 2 – контробразец; 3 – шпиндель; 4 – датчик момента; 5 – каретка; 6 – датчик нагрузки; 7 – муфта; 8 – датчик частоты вращения; 9 – электродвигатель; 10 – ременная передача; 11 – датчик циклов; 12 – датчик температуры.
Сводные результаты испытаний

Таблица 1. Значения коэффициента трения, температуры и износа для различных составов масла.

Масло / присадка К тр. ср. T ср., °C Износ обр., мг Износ к/обр., мг Ra до, мкм Rz до, мкм Ra после, мкм Rz после, мкм
Rowe 80W-90 0,098 50,6 7,2 21,9 0,151 2,115 0,164 1,935
УМ (4 г) 0,102 51,9 5,2 0,4 0,153 2,020 0,173 2,020
Супротек (4 г) 0,112 50,3 7,1 8,0 0,146 1,725 0,387 3,515
УМ (2 г) + Супротек (2 г) 0,110 48,3 4,4 4,7 0,143 1,865 0,379 3,590
Средние значения параметров
Среднее значение коэффициента трения
Рисунок 3. Среднее значение коэффициента трения Ктр.
Средняя температура масла в камере
Рисунок 4. Средняя температура масла в камере.
Износ образца и контробразца
Рисунок 5. Износ образца и контробразца, мг.
Шероховатость Ra до и после испытаний
Рисунок 6. Параметр шероховатости Ra до и после испытаний.
Шероховатость Rz до и после испытаний
Рисунок 7. Параметр шероховатости Rz до и после испытаний.
Динамика коэффициента трения и температуры
Динамика коэффициента трения во времени
Рисунок 8. Динамика коэффициента трения Ктр во времени.
Динамика температуры масла во времени
Рисунок 9. Динамика температуры масла в камере во времени.
Ключевые выводы
Углеродный Модификатор

Добавление Углеродного Модификатора в трансмиссионное масло Rowe 75W-90 незначительно увеличивает коэффициент трения и температуру масла, при этом снижает суммарную интенсивность изнашивания примерно в 5 раз.

Супротек

Присадка «Супротек» увеличивает коэффициент трения примерно на 14 %, однако незначительно снижает температуру масла и уменьшает интенсивность износа примерно в 2 раза.

Получите индивидуальный расчёт по Вашей технике
Made on
Tilda